Waterevolution Flow vestavěná umyvadlová baterie s krycí deskou PVD leštěná měď s výtokem 21 cm T1161CPE-21

Číslo článku 1208941161
Waterevolution Flow vestavěná umyvadlová baterie s krycí deskou PVD leštěná měď s výtokem 21 cm T1161CPE-21
13.262,64 Kč 24.508,92 Kč vč. 21% DPH
Doprava zdarma
Objednáno dnes, doručení za 5-6 týdnů
Značka
Řada
214.000+ spokojených zákazníků
Doprava zdarma od 6.000 Kč
Snadné vrácení do 30 dnů
Ekologické možnosti doručení
Vše o tomto produktu
Informace o produktu

Waterevolution Flow vestavěná umyvadlová baterie s krycí deskou PVD leštěná měď s výtokem 21 cm T1161CPE-21

  • PVD leštěná měď
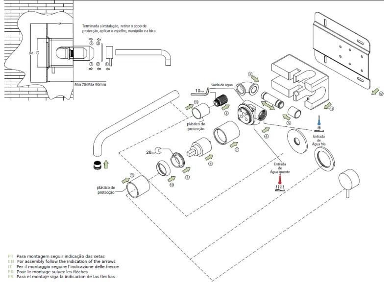
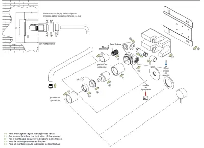
  • Včetně vestavné části
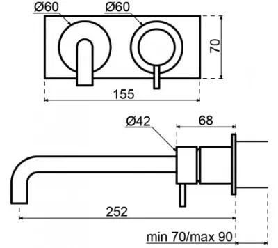
  • Délka výtoku 210 mm
  • Keramický vnitřní mechanismus
  • Rozměry krycí desky 160 x 80 mm
  • Hloubka zabudování 70 mm

Výtok je k dispozici v různých délkách.

Specifikace
Značka Waterevolution
Barva Měď
Délka přeběhu 210mm
Vzhled Design
Série Flow
Provádění Vestavba
Počet otvorů jeřábu 2-otvorový
Vestavba Ano
Montážní způsob Vestavba
Materiál Nerezová ocel
Včetně vestavěné části Ano
Keramická horní část Ano
Uzavírací mechanismus Keramická kartuše
S rozetami / krycí deskou Ano
Úchop Těsný úchop
Složení Kompletní
Rozměr krycí rozety 160x80
Provedení přetékání Pevný
Provozní způsob Ruka
Povlak PVD
Informace o doručení
Většina našich objednávek je odesílána různými přepravci. Někdy využíváme jiné přepravce pro doručení specifických objednávek nebo pro zmírnění tlaku na hlavní přepravce, abychom mohli dodržet naše doručovací závazky.

Očekávaný čas doručení je vždy uveden na stránce produktu. Většina produktů, které máme na skladě, je odeslána tentýž den. Večer před doručením obdržíte informace o sledování s časovým oknem pro doručení. Je důležité vědět: řidiči našich vybraných přepravců doručují produkty až ke vchodovým dveřím v přízemí.

Také u větších produktů, jako jsou žulové dřezy, velké křehké dřezy, skříně atd., obdržíte večer sledovací kód. Tyto produkty nejsou doručovány sousedům a je vyžadován podpis, takže při doručení musí být někdo doma, aby produkt převzal. Poznámka: tyto velké produkty nejsou doručovány v sobotu!

Pokud se nepodaří doručit velký produkt na první pokus, přepravce vás kontaktuje e-mailem nebo SMS, aby vám zaslal plán, abyste si mohli vybrat vhodný moment, kdy budete doma.

Za zásilky na ostrovy se účtují příplatky za doručení od €30 do €100, kvůli dodatečným logistickým nákladům, jako je přeprava po vodě a omezená přístupnost, a platí příplatky za paletové přepravy křehkých a těžších produktů.
Informace o výrobci Waterevolution
Waterevolution

Waterevolution je portugalský výrobce baterií pro koupelny, toalety a kuchyně. Na rozdíl od mnoha jiných „značek“ baterií je Waterevolution skutečný výrobce. Spolupracují s předními portugalskými designéry na vývoji svých sérií baterií.

Nerezové baterie od Waterevolution jsou vyrobeny ze 100% masivní nerezové oceli 316. Nově mohou být tyto nerezové baterie také opatřeny PVD povrchovou úpravou v barvách Gun Metal, Mosaz, Měď a Zlato.

Protože jsou baterie vyráběny v Portugalsku, je jejich cena výrazně nižší než u ostatních evropských značek designových baterií stejné kvality.

Klady a zápory

Podle našeho špičkového specialisty

Odolná proti opotřebení a odolná proti poškrábání vrstva

Barvy rychle neblednou
Odpornost vůči oxidaci a skvrnám
Trvanlivější než nástřiková barva

Tvrdá voda může způsobovat skvrny

Ne každý čistící prostředek je vhodný

Our top specialist

Máte firmu?

Získejte přístup k exkluzivním B2B výhodám!

Požádejte o svůj B2B účet
245 Kč Sleva
Přidejte se ke komunitě Loriano pro zlepšování bydlení
Připraveni se propojit a získat exkluzivní obsah? Náš newsletter přináší nápady na styl, návody k projektům, předčasný přístup k výprodejům a první pohled na nové produkty. Přihlaste se nyní a okamžitě získejte uvítací poukaz v hodnotě 245 Kč!

Vyberte svou zemi:
Bank transfer Card Apple Pay Google Pay
Loriano.cz | Copyright 2006 - 2026 | Všechna práva vyhrazena | Cookies